В статье обсуждаются направления развития распределенной малой генерации, обосновывается особое значения направления развития через создание Минигрид.

Фишов А.Г., Ивкин Е.С., Гилев О.В., Какоша Ю.В.
Аннотация: Обсуждаются направления развития распределенной малой генерации, обосновывается особое значения направления развития через создание Минигрид (самобалансирующихся локальных систем энергоснабжения малой мощности, способных работать, как автономно, так и параллельно с внешней энергосистемой под управлением специализированной системной автоматики). Представлены особенности режимов Минигрид, технология управления и автоматика, обеспечивающие высокую надежность энергоснабжения и экономическую эффективность использования генерирующего оборудования Минигрид, опыт по объединению локальной интеллектуальной энергосистемы (ЛИЭС) жилмассива с когенерационной электростанцией, установленной электрической мощностью генераторов 10 МВт и тепловой около 40 МВт, с ЕЭС России по сетям 10 кВ в г. Новосибирск с применением автоматики управления нормальными и послеаварийными режимами, получившей дальнейшее развитие в рамках НИОКР «Разработка целевой модели (прототипа) Mini/MicroGrid». Выполнение указанной НИОКР позволило усовершенствовать реализованные и разработать новые дополнительные алгоритмы ПТК Минигрид, функционирующих на условиях самобаланса, как необходимой составляющей интеграции объектов распределённой энергетики в сети распределительных сетевых компаний (РСК).
Ключевые слова: энергосистема малой мощности (Минигрид), параллельная работа, автоматика, противоаварийное управление, режимное управление, программно технический комплекс Минигрид
Современное развитие высоковольтных распределительных сетей невозможно представить без их трансформации из инфраструктуры, пассивно передающей электроэнергию от мощных централизованных источников, в активные сети с распределенной малой генерацией [1,2]. При этом следует различать два принципиальных пути развития распределенной по сети малой генерации:
Не останавливаясь на деталях, можно говорить о неоспоримом преимуществе второго пути за счет развития сетевой инфраструктуры и значительного повышения надежности системы в целом, т.к. в отличие от распределенной генерации, которая отключается от сети при аварийных нарушениях режима и, соответственно, теряется как источник энергии, Минигрид переходит в режим автономной работы, обеспечивая бесперебойность энергоснабжения собственных потребителей и возможность последующего восстановления нормального режима внешней энергосистемы, предоставляя для этого собственные работающие источники энергии. Иначе говоря, электрические сети с распределенными Минигрид создают качественно новый уровень живучести энергосистем за счет способности распадаться на работающие части и восстанавливать общий нормальный режим сети.
Следует отметить, что обеспечение динамической устойчивости параллельной работы с внешней сетью, как отдельных электростанций малой мощности, так и Минигрид, экономически оправданными средствами представляет собой значительные трудности. Причина в малой электромеханической инерционности используемых газопоршневых и газотурбинных энергоблоков, которая может иметь значения около 1 с, что почти на порядок меньше значений, характерных для традиционных энергоблоков большой мощности.
Вместо борьбы за динамическую устойчивость параллельной работы более перспективным является обеспечение безопасных разделений системы на сохраняющие работоспособность части с их последующим автоматическим включением на параллельную работу. Технологическая готовность к применению технологии и автоматики опережающего сбалансированного отделения Минигрид от внешней сети при опасных для динамической устойчивости возмущениях на объектах распределенной энергетики подтверждается:
Основными системными преимуществами развития распределенных Минигрид являются:
Отмеченные особенности определили цель и задачи по разработке технологии управления режимами Минигрид и ее реализации в пилотном проекте.
Требования к Минигрид и управлению режимами были определены, как разработчиками технологии на основе прогнозирования развития высоковольтных распределительных электрических сетей, так и техническим заданием на НИОКР и техническими требованиями на опытный образец ПТК Минигрид, разработанными в рамках НИОКР «Разработка целевой модели (прототипа) Mini/MicroGrid» (Заказчик АО «Россети Тюмень»):
Авторы выражают свою глубокую благодарность НТИ Энерджинет за поддержку разработки технологии на ее начальном этапе, АО «Россети Тюмень» за высокую роль в инициировании и сопровождении НИОКР, опытно промышленной эксплуатации ПТК на современном научно- технологическом уровне, ООО «Энергосети Сибири» и ООО «Генерация Сибири» за предоставление возможности и содействие реализации Минигрид на базе локальной системы энергоснабжения жилмассива «Березовое» с мини-ТЭЦ, ООО «Институт автоматизации энергосистем» за проектирование применения автоматики в Минигрид жилмассива «Березовое», а также всех сотрудников Новосибирского государственного технического университета, ООО «Модульные системы Торнадо» и ООО «АльтероСмарт», принявших активное участие в выполнении всего комплекса НИОКР по разработке автоматики, ее испытаниях на физических моделях и реальном объекте.
Автономная работа Минигрид имеет много недостатков в части надежности энергоснабжения и экономичности режимов базовой электростанции [3.4]:
Указанные причины побуждают создавать Минигрид, в которых основным режимом является режим параллельной работы с внешней энергосистемой, а автономный используется только при невозможности режима параллельной работы или при разделениях для предотвращения нарушений устойчивости параллельной работы.
Параллельная работа Минигрид с внешней электрической сетью ЕЭС потенциально способна устранить или значительно снизить отмеченные выше негативные особенности режима автономной работы, главным образом, за счет:
Однако, извлечение этих положительных эффектов от параллельной работы Минигрид с внешней энергосистемой нуждается в снижении рисков параллельной работы, применения специальных способов управления и соответствующей им противоаварийной и режимной автоматики. Основные риски и способы их снижения представлены в таблице 1.
Таблица 1- Сводка основных рисков параллельной работы Минигрид с внешней электрической сетью и технических решений по их снижению

Управление Минигрид сводится к выбору режима (параллельный/автономный), состава работающего ГО, его режима и использованию пропускной способности связей Минигрид с внешней энергосистемой.
Рассмотрим два основных способа использования обменного перетока мощности по внешним связям:
Сразу следует отметить, что параллельная работа Минигрид в режиме регулирования перетока практически сводит на нет основные положительные эффекты от параллельной работы, т.к. поддержание динамического баланса генерации и потребления требует активной работы регуляторов мощности, причем, в отличие от работы регуляторов частоты при автономной работе, интенсивность этого регулирования значительно выше, т.к. демпфирование небалансов вращающимися массами, имеющееся при колебаниях частоты практически отсутствует. В результате генераторы работают в режимах переменной нагрузки, что снижает их экономические и ресурсные показатели.
Работа в коридоре при его достаточной ширине позволяет реализовать основные преимущества параллельной работы, отмеченные выше. При этом не следует забывать, о системных требованиях со стороны СО ЕЭС по обязательному участию работающей параллельно с ЕЭС генерации в общем первичном регулировании частоты (ОПРЧ). Эти требования, в основном, сводятся к обязательности участия в ОПРЧ при выходе частоты из мертвой полосы регулирования с требуемыми статизмом и динамическими характеристиками регулирования.
Работа в коридоре с обязательностью участия в ОПРЧ приводит к необходимости создания специальной системы регулирования частоты и мощности энергоблоков Минигрид. В качестве примера, ниже приводится описание системы регулирования частоты и мощности, реализованной в рамках пилотного проекта Минигрид на базе многоагрегатной мини-ТЭЦ электрической мощностью 10 МВт.
Система автоматического управления (САУ) мощностью газопоршневой установки (ГПУ) имеет в своем составе регулятор мощности и регулятор скорости энергоблока, работающие, в зависимости от заданного режима регулирования обменной мощности и частоты в сети.
В режиме параллельной работы Минигрид с внешней электрической сетью регулятор мощности энергоблока в составе группового регулятора корректирует мощность энергоблоков при выходе обменного перетока из разрешенного коридора, определяемого и задаваемого ПТК, только, если частота находится внутри мертвой полосы регулирования. Регулятор скорости осуществляет первичное регулирование частоты при выходе частоты из мертвой полосы.
В режиме автономной работы Минигрид мощность регулируется пропорционально – интегральными (ПИ) регуляторами скорости энергоблоков с выравниванием загрузки работающих энергоблоков.
Характеристики первичного регулирования частоты, осуществляемого регуляторами скорости генераторной установки, соответствуют требованиям СО ЕЭС, а именно:
Учитывая, что для Минигрид нормальными состояниями являются, как состояние автономной работы, так параллельной, смена этих состояний является частой, но достаточно сложной процедурой с изменениями режимов не только силового оборудования, но автоматики. Для исключения негативного влияния человеческого фактора на надежность и безопасность этих процедур, их выполнение целесообразно поручить автоматике. В рамках данной работы в составе системной автоматики Минигрид предусмотрен, так называемый, автооператор, осуществляющий, в том числе, и процедуры смены состояний Минигрид.
На рис 1,2 представлены укрупненные маршрутные карты действий автооператора при смене нормальных состояний (Рис.1), а также при восстановлении нормального режима после его аварийного нарушения.

На маршрутных картах (Рис.1,2) использована представленная ниже символика:
При осуществлении оперативных переходов между режимами автономной и параллельной работы также следует иметь ввиду особенности синхронизации генераторов и Минигрид с внешней энергосистемой [5], которые должны быть учтены в алгоритмах синхронизации.
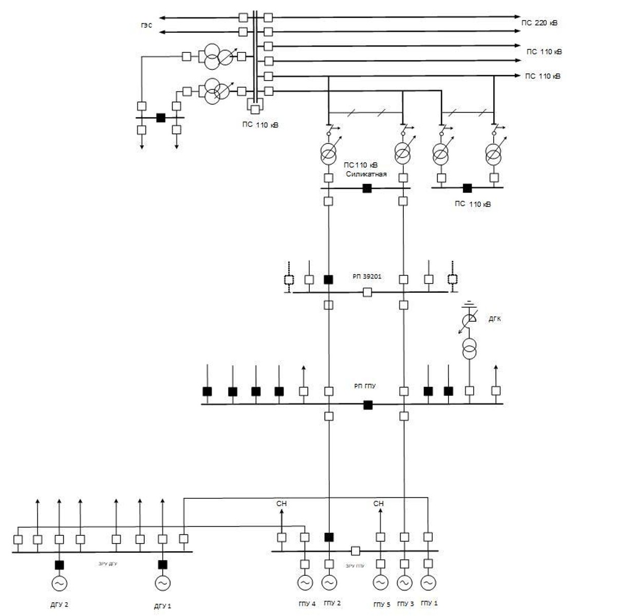
Автономный: - по мере необходимости, 3 - 5 ГПУ работают по потребности мощности от потребителей в режиме распределения нагрузки между ними с выбором числа работающих генераторных установок.
Параллельный: - постоянный, 2 - 5 ГПУ работают параллельно с распределительной сетью 10 кВ ПС 110 кВ «Силикатная» по схеме приема – выдачи мощности.
Ограничения по обмену мощностью:
Максимальная мощность в режиме потребления из внешней сети - 4,5 МВт, в режиме выдачи - 10,0 МВт.
На рис. 2. приведена схема выдачи мощности Мини ТЭЦ в свою распределительную сеть и по связям с внешней энергосистемой.

Рис. 3. Схема выдачи мощности мини-ТЭЦ
На рисунке 4 представлена оперативная схема Минигрид, контролируемая диспетчером и автоматикой Минигрид.

Рис. 4. Оперативная схема Минигрид (Видеокадр ПТК)
3.5.1 Использование синхронизированных векторных измерений для мониторинга синхронизма и синхронизации частей сети
Для мониторинга синхронизма и синхронизации частей сети в ПТК используются синхронизированные векторные измерения (СВИ). Точками измерений являются трансформаторы напряжений на шинах ГРУ, ЗРУ, РП, а также выключателей линий связи РП с ПС Силикатная. Всего 8 ТН. 4 подключены к ПТК1 и 4 к ПТК2. 3-х фазные напряжения с указанных ТН подаются на модули цифровых преобразователей ПТК, а от них вместе с отметками синхронного времени поступают в блок обработки измерений, в котором выделяются основная гармоника с модулем и фазой, прямая и обратная последовательности напряжений. Для синхронизации используются вектора напряжений прямой последовательности, а одним из разрешительных условий синхронизации является нормальность режима напряжений в синхронизируемых частях сети (отклонение напряжения не более 5% от номинального, несущественность несимметрии и несинусоидальности). Измерительным интервалом для СВИ является период промышленной частоты, т.е. 20 мс.
3.5.2. Использование автоматики опережающего сбалансированного отделения (АОСД) Минигрид от внешней электрической сети
Для предотвращения нарушений динамической устойчивости и возникновения динамических ударных моментов на валах генераторов используется опережающее сбалансированное отделение
Минигрид по связям (деление до срабатывания релейной защиты и выключателей внешней сети) по заранее подготовленным сечениям при нарушениях нормального режима с переходом отделяемой части в сбалансированный по мощности островной режим с последующим автоматическим восстановлением синхронизма и нормального режима с требуемой загрузкой оборудования [6,7].
Принципиальное описание способа
Рассмотрим способ на принципиальном примере (Рисунок 5), соответствующем присоединению Минигрид с распределительным пунктом (РП) к подстанции внешней электрической сети. Красный цвет выключателя соответствует его включенному положению, зеленый – отключенному положению.

Рисунок 5. Принципиальная схема, отражающая условия параллельной работы Минигрид с сетью внешней электроэнергетической системы
Минигрид может работать синхронно с электрической сетью ЭЭС в одном из трёх режимов:
Рассмотрим второй режим, как основной и наиболее интересный.
В этом режиме выдаваемая в сеть мощность равна мощности одного или нескольких генераторов мини-ТЭЦ, образующих группу А генераторов [7] (Рг = Рвыд). Данное условие с учетом коридора допустимых небалансов постоянно поддерживается режимной автоматикой электростанции при нормальных условиях работы Минигрид в режиме выдачи избыточных мощностей во внешнюю электрическую сеть.
При возникновении короткого замыкания (КЗ) во внешней или внутренней сети Минигрид, по факту импульсного снижения напряжения (фиксируемого пусковым органом (ПО) на РП) или появления напряжения обратной последовательности (при несимметричном КЗ), опережающим образом (быстрее уставок срабатывания защит внешней сети (за время не более 0,02 с) выдается команда на отключение выключателя сечения S1 и одновременно выключателей генераторов группы А (сечения S3), обеспечивающих выдачу мощности во внешнюю сеть. Отключение выключателей снимает ток подпитки короткого замыкания от генераторов мини-ТЭЦ при внешнем КЗ или от внешней сети при внутреннем КЗ. При этом, Минигрид отделяется от внешней сети с допустимым небалансом по активной мощности, что сохраняет нормальный режим электростанции.
Если КЗ для Минигрид было внешним, то при таком делении в послеаварийном режиме сохранился баланс мощности в Минигрид и ее работоспособность при переходе оставшихся генераторов в режим регулирования частоты. При этом во внешней сети после отделения Минигрид восстанавливаются условия работы релейной защиты и автоматики, соответствующие отсутствию параллельной работы, вследствие этого не требуется согласование работы защит Минигрид и РЗиА внешней сети. Далее, при восстановлении нормального напряжения во внешней сети, для возобновления параллельной работы разделившихся частей, автоматика воздействуют на режим генераторов, добиваясь выполнения условий точной синхронизации подсистем, и включает с синхронизацией выключатель сечения S1 и выключатели отключившихся генераторов группы А.
Если КЗ для Минигрид было внутренним, то автоматика также действует на отключение выключателя сечения S1, отключение генераторов группы А. Минигрид отделяется. Защита отключает поврежденный фидер. Минигрид в послеаварийном режиме остается с небалансом по активной мощности, равном мощности отключенного фидера нагрузки. Возникший небаланс, в зависимости от его величины, ликвидируется регуляторами скорости генераторов, а также, при необходимости, штатной автоматикой ограничения снижения частоты. Этим обеспечивается сохранение работоспособности Минигрид. После ликвидации возникшего небаланса восстанавливаются условия для возобновления параллельной работы подсистем, автоматика воздействуют на режим генераторов, добиваясь выполнения условий точной синхронизации частей сети (по напряжению и частоте с обеих сторон выключателя сечения для деления), и включает выключатель сечения S1. Далее этой же автоматикой с сетью синхронизируются отключенные генераторы (выключателем сечения S3), выдававшие в сеть внешней ЭЭС мощность и восстанавливается их первоначальная загрузка.
Рассмотрим третий режим:
Если в исходном режиме Минигрид была дефицитной (Рвыд = - Рзад), то деление будет происходить по сечению S2 с ликвидацией основного дефицита мощности Минигрид путем отнесения части нагрузки (нагрузки РП) к внешней сети ЭЭС.
На Рисунке 6 представлены графики переходного процесса при управлении данным способом. Можно видеть, что изменение режимных параметров в послеаварийном режиме не является аварийным, изменение частоты вызвано возникновением кратковременного динамического небаланса мощности на валу генератора при КЗ в сети и ликвидируется работой штатных регуляторов скорости энергоблоков.

Рисунок 6. Переходный процесс в Минигрид при КЗ во внешней электрической сети и срабатывании АОСД
Таким образом, быстродействующее опережающее деление позволяет:
3.5.3. Использование специальной коммутации схемы выдачи мощности для осуществления режимов
Режим автономной работы реализуется при выставлении в автоматике запрета на параллельную работу по принципиальным схемам выдачи мощности, представленным на рис.7 . Схемы предусматривают одностороннее отключение одной из линий L1 или L2 для гарантированного исключения возможности несинхронизированного включения на параллельную работу энергоблоков и внешней электрической сети при срабатывании АВР. Так, при исчезновении напряжения на шинах РП АВР вначале отключит В8 в схеме а) или В7 в схеме в), а затем включит В9 или В10. После проверки отключенного состояния всех выключателей генераторов и выключателей В2 или В1 разрешено включение В1 или В2 для подачи напряжения на шины ГРУ.

Рис.7.
Принимаемые нормальные коммутационные состояния схемы выдачи мощности мини-ТЭЦ (СВМ) в режиме автономной работы
Режим параллельной работы (включен В9 или В10) реализуется по принципиальным схемам выдачи мощности, представленным на рис.8. Включение на параллельную работу Минигрид с внешней электрической сетью осуществляется исключительно автооператором ПТК при выставлении флага «Параллельная работа разрешена». Синхронизация при включении на параллельную работу осуществляется на выключателях В9 или В10, при этом оператором устанавливается предпочтительность использования указанных выключателей. При отсутствии напряжения со стороны ПС Силикатная на одном из выключателей автоматически используется выключатель с поданным напряжением.

Рис.8. Принципиальные СВМ при параллельной работе (Автооператором включен с синхронизацией В9 или В10)
3.5.4 Использование при параллельной работе Минигрид режима работы в коридоре допустимого обмена мощностью
Внутри коридора допустимых небалансов по условию сохранения устойчивости перехода Минигрид в островной режим при спорадических отключениях линий связи с внешней сетью режимная автоматика не регулирует мощность энергоблоков. Работают только регуляторы скорости блочной автоматики Terberg мини-ТЭЦ. Осциллограмма такого режима представлена на рис.9.

Рис. 9. Осциллограмма изменений режима Минигрид, работающей параллельно с внешней электрической сетью: при подключениях, отключениях части нагрузки, изменениях режима выдачи мощности во внешнюю сеть, запрете параллельной работы
3.5.5. Использование распределенного управления для надежного управления режимом параллельной работы Минигрид с внешней электрической сетью
Для обеспечения надежной работы автоматики и осуществления безопасной параллельной работы осуществлена децентрализация автоматического управления. Системная автоматика представляет собой связанные дублированными каналами передачи данных 2 комплекса (ПТК 1, размещенный в диспетчерском центре мини-ТЭЦ, и ПТК 2, размещенный на РП). Общая структура комплекса системной автоматики представлена на рис. 10.
ПТК 1 осуществляет функции телемеханики Минигрид, управления пусками и остановами энергоблоков, режимами их работы для поддержания постоянной готовности к спорадическому отделению Минигрид от внешней сети.
ПТК 2 осуществляет функции опережающего отделения Минигрид от внешней электрической сети при коротких замыканиях, УРОВ, пассивной синхронизации Минигрид с внешней электрической сетью, сбор и передачу в ПТК1 телеметрической информации от расположенного на РП оборудования.
Пусковой орган, сама автоматика ОСД, УРОВ выполнена с соблюдением всех требований к устройствам РЗ и ПА.

Рис.10. Структурная схема программно-аппаратного комплекса системной автоматики Минигрид
3.5.6. Использование быстродействующего пускового органа автоматики АОСД Измерительно-пусковой орган (ИПО) предназначен для приёма информации о напряжениях на
контролируемых шинах, определения всех необходимых для работы АОСД параметров, формирования соответствующих дискретных команд и сигналов, а также регистрации аварийных событий.
Источником информации для работы ИПО являются трансформаторы напряжения (ТН), подключенные к контролируемым сборным шинам. Поскольку объектом защиты является сеть с изолированной нейтралью от ТН принимаются только линейные напряжения.
Для быстрого выявления факта возникновения междуфазных коротких замыканий ИПО, прежде всего, должен определить действующие значения линейных напряжений, а также действующие значения напряжений прямой и обратной последовательностей.
В результате сравнения полученных значений контролируемых напряжений с уставками формируются дискретные команды, используемые для формирования управляющих сигналов на отключение выключателей.
ИПО обеспечивает формирование на каждом периоде промышленной частоты синхронизированных векторов линейных напряжений трёхфазной системы, хранение измеренных и рассчитанных величин (осциллограмм).
Аннотированное описание функций системной автоматики с учетом ее взаимодействия с имеющейся на станции блочной автоматикой Terberg
4.1.1. Ввод в работу/вывод энергоблоков (ГПУ).
Для ввода в работу ПТК дает команду контроллеру энергоблока Terberg (логический сигнал) на ввод энергоблока в работу.
Terberg готовит энергоблок к включению по внутренней программе:
4.1.2. Для вывода энергоблока из работы ПТК:
4.1.3. Синхронизация генераторов с шиной осуществляется по алгоритму синхронизации Terberg.
Синхронизация Минигрид по сечению (на выключателе линии) осуществляется следующим образом:
4.1.4. Восстановление нормального режима.
Автооператор в непрерывном режиме контролирует класс текущего состояния Минигрид. Для этого выявляется (идентифицируется) возникновение установившегося режима (по отсутствию значимых изменений контролируемых параметров).
Для установившегося режима определяется его принадлежность к одному из классов множества состояний.
Если выявляется ненормальный класс состояния Минигрид, то автооператор по маршрутной карте реализует программы перевода состояния Минигрид в один из нормальных классов (нормальный автономный режим, нормальный режим параллельной работы с сетью).
Предпочтение имеет класс нормальной параллельной работы с сетью.
4.1.5. Перевод Минигрид в островной режим.
Перевод Минигрид из режима параллельной работы с сетью в автономный осуществляет автооператор по соответствующей маршрутной карте. Инициализация перевода возникает вследствие:
4.1.6. Перевод Минигрид в режим параллельной работы с сетью осуществляет автооператор по соответствующей маршрутной карте.
Условиями запуска (инициализации) перевода являются:
4.1.7. Перевод группы энергоблоков в режим регулирования частоты производится в двух ситуациях:
4.1.8. Перевод группы энергоблоков в режим регулирования мощности производится автооператором выставлением флага («параллельная работа») после синхронизации Минигрид с внешней электрической с сетью.
Диагностическим признаком параллельной работы является включенное состояние выключателей в цепи выдачи мощности, а для достоверизации используется наличие перетока мощности по связи Минигрид с внешней электрической сетью.
ПО АОСД ПТК отстроен от скачков напряжения в сети при ведении нормальных и послеаварийных режимов и срабатывает по опасному снижению напряжения прямой последовательности или возникновению недопустимой обратной последовательности на шинах РП 39201.
Время срабатывания ПО < 20 мс.
Время отключения Минигрид от внешней электрической сети < 70 мс.
Сбалансированность Минигрид при отделении достигается одним из двух способов, а для надежности - их одновременным использованием:
Так, отключаемые генераторы должны иметь, например, нулевую задержку на отключение при увеличении частоты на 0,15 - 0,2 Гц, а остальные генераторы в этом диапазоне более 1 с, а без задержки при повышении частоты более 3-5 Гц.
Автооператор поддерживает допустимость режима энергоблоков в автономном режиме путем изменения состава включенных в работу генераторов. При этом обеспечивается загрузка каждого из энергоблоков выше технологического минимума (1000 кВт) и ниже допустимой загрузки по условию устойчивости распределения нагрузки между энергоблоками (1800 кВт).
Отключение работающего энергоблока производится при условиях:
Запуск и включение дополнительного энергоблока осуществляется при условиях:
В режиме параллельной работы с внешней электрической сетью автооператор предотвращает превышение выдаваемой в сеть мощности по сечению (линии на РП39201) выше установленного предела (10000 кВт).
Следует учесть, что для режима параллельной работы желательно иметь загрузку включенных энергоблоков около 1800 кВт, что, как правило, соответствует максимуму КПД и оставляет некоторый резерв для регулирования перетока.
Также, при определении состава включенных энергоблоков должны быть учтены допустимые в режиме автономной работы набросы мощности на работающие блоки ≈ 200 кВт и сбросы ≈ 150 кВт.
По совокупности данных требований автооператором определяется, как состав работающих блоков, так и число отключаемых блоков для балансирования Минигрид автоматикой АОСД.
4.3.1. Регулирование частоты в островном режиме осуществляет Terberg.
4.3.2. Регулирование (ограничение) сальдо перетока с внешней электрической сетью в режиме параллельной работы выполняет автооператор, осуществляющий ввод в работу/вывод энергоблоков по условиям:
4.3.3. Регулирование напряжения в островном режиме осуществляет Terberg на основе заданных уставок. Оператору доступно ручное изменение уставок в режиме «добавить/убавить».
4.3.4. Регулирование сальдо перетока реактивной мощности по сечению осуществляется автооператором заданием фиксированного cosφ генераторам мини-ТЭЦ. Учитывая, что cosφ нагрузки Минигрид близок к 1, обеспечиваемые генераторами cosφ близки к cosφ перетока мощности по сечению.
4.3.5. Автооператор имеет возможность регулировать напряжение на шинах ПС Силикатная, осуществляя косвенное измерение этого напряжения по измерениям на РП 39201 и изменяя задаваемые генераторам cosφ.
4.4.1. Контроль текущего коммутационного состояния схемы сети, срабатывания защит производится по данным ТС. Для достоверности данных о состоянии выключателя используется два сигнала – отключен, включен. О срабатывании защит свидетельствует один сигнал, который снимается оперативным персоналом.
4.4.2. Измерение режимных параметров для управления мощностью, синхронизации, проверки их допустимости [9].
4.5.1. Автоматика осуществляет блокировку недопустимых включений Минигрид на параллельную работу с внешней электрической сетью на РП39201 (на выключателях линий связи с ПС Силикатная).
Блокировка сигналов управления на включение соответствующих выключателей производится путем их запрета при наличии запретов на параллельную работу (со стороны внешней сети или Минигрид), нарушениях в работе автоматики, каналов связи, невыполнении условий синхронизации.
5.5.2. Превентивный перевод Минигрид в островной режим при технологических нарушениях, запретах на параллельную работу осуществляется автооператором с разгрузкой до нуля перетока по сечению с внешней сетью и последующим отключением выключателя, переводом Минигрид в режим автономной работы. При этом изменяется количество включенных в работу генераторов и режим их работы (осуществляется переход к регулированию частоты и напряжения).
4.6.1. Визуализация текущего коммутационного состояния схемы осуществляется на мониторе на схеме соединений для всех выключателей ГРУ, ЗРУ и РП39201. Недостоверное состояние выделяется мерцающей заливкой.
4.6.2. Классы состояний Минигрид создают обобщенное представление о её режиме и отражаются на маршрутной карте, также представленной на мониторе.
4.6.3. Визуализация режимных параметров и ограничений осуществляется на мониторе в предусмотренных окнах с обозначениями. Нарушение установленных ограничений отражается изменением цвета и появлением сообщений.
4.6.4. Визуализация функциональной готовности (неготовности) подсистем управления осуществляется на структурной схеме автоматики с выделением неработоспособных элементов.
4.6.5. Сигнализация о нарушениях в объекте и системе управления осуществляется подачей звукового сигнала и выводом на монитор соответствующих сообщений
Ниже приводится только перечень проверок, включенных в состав комплексной программы
Проверка проводилась по отдельной программе. Основные требования [11] и способы проверок приведены в таблице 2.
Таблица 2. Основные требования к ОПРЧ и методика проверки соответствия (для каждого энергоблока)

Испытания энергоблоков мини-ТЭЦ проводились для подтверждения соответствия характеристик регулирования их частоты и мощности требованиям к ОПРЧ, установленным приказом Минэнерго РФ от 19.01.2019, в связи с переводом локальной системы энергоснабжения «Березовое» на параллельную работу с ЕЭС согласно выданным техническим условиям (ТУ) на режим параллельной работы.


Испытания проводились 10.03.21 на выделенном для работы на индукционные и воздушные ТЭНы через генераторный выключатель энергоблок 5. Подготовка основной схемы, схемы измерений и регистрации произведена с 9-00 до 10-00. Выполнение испытаний согласно утвержденной программы с 10-00 до 11-00.
Всего проведено 14 опытов по подключению и отключению индукционных и воздушных ТЭНов. Результаты в целом подтвердили выполнение всех требований к ОПРЧ:
Развитие Мингрид, работающих в составе распределительных электрических сетей, способно решить множество социально-технических задач, связанных, как с обеспечением надежного и экономичного энергоснабжения потребителей в проблемных зонах, так и привлечения инвестиций малого и среднего бизнеса в развитие энергетики, ограничить рост тарифов на энергоснабжение. Технико-экономическая эффективность Минигрид, во многом, зависит от режимов ее параллельной работы с внешней энергосистемой, причем особенности этой параллельной работы определяют необходимость использования специальных способов противоаварийного и режимного управления, осуществляемых автоматически.
В работе представлена технология управления режимами Минигрид, реализованная в проекте по объединению локальной интеллектуальной энергосистемы (ЛИЭС) жилмассива с когенерационной электростанцией установленной электрической мощностью генераторов 10 МВт и тепловой около 40 МВт с ЕЭС России по сетям 10 кВ в г. Новосибирск с применением автоматики управления нормальными, аварийными и послеаварийными режимами, получившей дальнейшее развитие в рамках НИОКР «Разработка целевой модели (прототипа) Mini/MicroGrid».
Технология является финалистом международного конкурса «Малая энергетика – Большие успехи 2019» в номинации лучшая инновационная разработка года, а также получила высокую оценку по итогам рассмотрения на совместном заседании Научно-технического совета НП «НТС ЕЭС» и Секции Научного совета РАН по проблемам надёжности и безопасности больших систем энергетики [1] и признана имеющей отраслевое значение.

Фишов Александр Георгиевич, Дата рождения: 19.02.1950

Ивкин Ефим Сергеевич, Дата рождения: 4.03.1992

Гилев Олег Викторович, Дата рождения: 24.08.1983

Какоша Юрий Васильевич, Дата рождения: 25.12.1984